Description
This electric meter is designed to measure three phase four wire AC active energy, suitable for three phase electric equipment and small and medium-sized enterprises and institutions, commercial and residential users who are charged by flat rate tariff. The meter meets IEC62053-21 and IEC62052-11 standards. Meter reading can be achieved by RS485 communication network.
Features
1. Active energy is measured bi-directionally and total, forward and reverse electricity can be showed.
2. Three phase realtime current, voltage, active power, reactive power, power factors and frequency measurement and display.
3. Interval electricity display available and it can be reset by pressing a button.
4. LCD shows reverse symbol if reverse electricity is measured.
5. LCD will show phase loss symbol if any phase loses.
6. Measurement for phase loss. The metering precision will not be influenced if any one phase or two phases of three phase four wire meter cut off.
7. RS485 data communication terminal, compatible with DL/T645-2007 and MODBUS-RTU agreements.
8. Passive pulse output, in accordance with standard DIN43864
9. While power cut, all storage data will not lose and can be saved for more than 15 years.
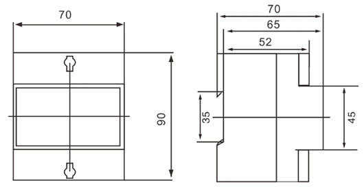
10. Meter width is only 70mm. 35mm DIN-rail installation. Similar shape as 4P breaker.
Technical Data
| Rate voltage | DTS238-4 ZN/S three phase four wire 3x127/220V , 3x120/208V , 3x220/380V, 3x230/400V , 3x240/415V | 
| Working voltage range | 0.8~1.2Un | 
| Rate Current | 5A/CT,1.5(6)A, ,5(60)A,10(100)A,or other as required | 
| Frequency | 50Hz or 60Hz | 
| Connection mode | CT type or Direct type | 
| Display | LCD | 
| Accuracy class | Active class 1.0 | 
| Power consumption | < 2W/10VA/each phase | 
| Start current | 0.004Ib | 
| Impulse Voltage | 6kV 1.2μs waveform | 
| Over current withstand | 30Imax for 0.01s | 
| IP grade | IP20 | 
| Constant | 400~6400 imp/kWh | 
| Pulse output | Passive pulse, pulse width is 80+5 ms | 
| Communication port | RS485 port , baud rate 1200~9600 bps ,default is 9600bps ,address 1~247,None parity , stop bits 1 , data bits 8 . | 
| Executive standard | DIN 43880,IEC62053-21,IEC62052-11,MODBUS-RTU | 
| Work temperature | -30℃~70℃ | 
| Outline dimension LXMXH | 70x90x70mm | 
| Weight | Approx 0.6kg | 
Accuracy
| Voltage | 0.5% | 
| Current | 0.5% | 
| Power Factor | 1% | 
| Active power | ±1% | 
| Reactive Power | ±2% | 
| Active Energy (kWh) | Class 1.0 | 
Environment
| Operating temperature | -25℃~55℃ | 
| Storage temperature | -40℃~80℃ | 
| Reference temperature | 23℃+2℃ | 
| Relative humidity | 0 to 95% , non-condensing | 
| Altitude | Up to 2500m | 
| Warm up time | 10s | 
| Mechanical Environment | M1 | 
| Electromagnetic Environment | E2 | 
| Degree of pollution | 2 | 
Wire connection
(1) three phase four wire direct connection



Terminal function

Outline dimension
