Description
This electric meter is designed to measure three phase four wire AC active energy, suitable for three phase electric equipment and small and medium-sized enterprises and institutions, commercial and residential users who are charged by flat rate tariff. The meter meets IEC62053-21 and IEC62052-11 standards. Meter reading can be achieved by RS485 communication network.
Features
1. Active energy is measured bi-directionally and reverse electricity will be measured and counted into total electricity.
2. Reverse electricity will be measured. Reverse indicator light available.
3. Passive pulse output, impulse indicator light will flicker while the meter is working.
4. Phase loss LED light indicator
5. Measurement for phase loss. The metering precision will not be influenced if any one phase or two phases of three phase four wire meter cut off.
6. Three phase realtime current, voltage, active power, reactive power, power factors and frequency measurement and display.RS485 data communication terminal, compatible with DL/T645-2007 and MODBUS-RTU agreements.
7. Far infrared communication available.
8. While power cut, all storage data will not lose and can be saved for more than 15 years.
9. Two kinds of case shells available: Protection I or Protection II.
Optional Function
1. Electric quantity will display and battery power while black out.
2. Built-in relay remote switch
3. M-BUS meter reading system
4. Bi-directional electric quantity display, independent forward and reverse electricity display, suitable for the photovoltaic industry.
Technical Data
| Rate voltage | DTS238 RS485 type three phase four wire 3x57.7/100V , 3x127/220V , 3x120/208V , 3x220/380V, 3x230/400V , 3x240/415V |
| DSS238 RS485 type three phase three wire(two phase three wire) 2x120/208V , 2x127/220 , 3x220V , 3x380V , 3x400V , 3X415V , 3X100V | |
| Working voltage range | 0.8~1.2Un |
| Rate Current | 5A/CT,1.5(6)A,5(30)A,10(40)A,5(60)A,20(80)A,20(100)A, 30(100)A or other as required |
| Frequency | 50Hz or 60Hz |
| Connection mode | CT type or Direct type |
| Display | LCD |
| Accuracy class | Active class 1.0 |
| Power consumption | < 1W/10VA |
| Start current | 0.004Ib |
| AC voltage withstand | 4000V/25mA for 60 sec |
| Impulse Voltage | 6kV 1.2μs waveform |
| IP grade | IP51 or IP54 |
| Constant | 400~6400 imp/kWh |
| Pulse output | Passive pulse, pulse width is 80+5 ms |
| Communication port | RS485 port , 1200~9600bps |
| Infrared port 1200 bps | |
| Executive standard | IEC62053-21,IEC62052-11 |
| Work temperature | -30℃~70℃ |
| Outline dimension LXMXH | 215x145x69mm (short terminal cover L1) 260x145x69mm (long terminal cover L2) |
| Weight | Approx 1.3kg |
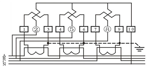
Wire connection
(1) three phase four wire direct connection





Outline dimension
