E3401A
Display mode:
Mechanical register display
Display format:
①XXXXX.X (5-digit integer + 1-digit decimal) (Default)
②XXXXXX.X(6-digit integer + 1-digit decimal)
③XXXXXX (6-digit integer)
E3401L
Display mode:
LCD
Display format:
①XXXXXX.X(6-digit integer + 1-digit decimal) (Default)
②XXXXX.XX(5-digit integer + 2-digit decimal)
③XXXXX.X (5-digit integer + 1-digit decimal)
④XXXXXXX (7-digit integer)
Description
 These two types of electricity meters are used to measure three phase four wire AC active energy. They are made by SMT (Surface mounting technology) process and conform to the standards of IEC62053-21 and IEC62052-11.
Features
1. Active energy is measured bi-directionally and reverse electricity will be measured and counted into total electricity.
2. Reverse electricity will be measured. Reverse indicator light available.
3. Passive pulse output, impulse indicator light will flicker while the meter is working.
4. Phase loss LED light indicator
5. Measurement for phase loss. The metering precision will not be influenced if any one phase or two phases of three phase four wire meter cut off.
6. Two kinds of case shells available: Protection I or Protection II.
Optional Function
1. LCD shows two kinds of electricity bi-directionally. Forward and reverse electricity could be showed independently. (E3401L only)
2. Dead battery alert display (E3401L only) added
3. 48-hour supercapacitor power cut display (E1203L only) added
4. Shell utilizes ultrasonic sealing instead of screw sealing
5. Built-in three phase current and voltage connection hook, equipotential anti-tamper design.
Technical Data
| Rate voltage | DTS238 three phase four wire 3x57.7/100V , 3x127/220V , 3x120/208V , 3x220/380V, 3x230/400V , 3x240/415V | 
| Working voltage range | 0.8~1.2Un | 
| Rate Current | 5A/CT,1.5(6)A,5(30)A,10(40)A,5(60)A,20(80)A,10(100)A, or other as required | 
| Frequency | 50Hz or 60Hz | 
| Connection mode | CT type or Direct type | 
| Display | mechanical step register | 
| Accuracy class | Active class 1.0 | 
| Power consumption | < 1W/10VA | 
| Start current | 0.004Ib | 
| AC voltage withstand | 4000V/25mA for 60 sec | 
| Impulse Voltage | 6kV 1.2μs waveform | 
| IP grade | IP51 or IP54 | 
| Constant | 400~6400 imp/kWh | 
| Pulse output | Passive pulse, pulse width is 80+5 ms | 
| Executive standard | IEC62053-21,IEC62052-11 | 
| Work temperature | -30℃~70℃ | 
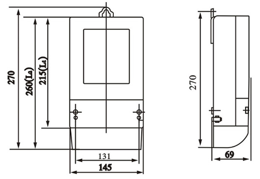
| Outline dimension LXMXH | 215x145x69mm (short terminal cover L1) 260x145x69mm (long terminal cover L2) | 
| Weight | Approx 1.2kg | 
Wire connection
(1) three phase four wire direct connection

Outline dimension
